Delta Inverter Vfd B Programming Manual

Delta vfd b a pd00 spec sheet.
Delta inverter vfd b programming manual. High performance user friendly powerful ac motor drives. After receiving the ac drive please check for the following. View and download delta vfd b user manual online. All rights reserved 1 1 chapter 1 receiving and inspection this vfd v ac drive has gone through rigorous quality control tests at the factory before shipment.
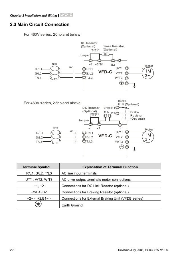
With modern power electronics and advanced microprocessor technology delta s ac motor drives are able to efficiently control motor speed improve machine automation and save energy. For detail information refer to the vfd b user manual on the cd supplied with the drive. This manual is to be used for the installation parameter setting troubleshooting and daily maintenance of the ac motor drive. Purchase your delta vfd015b21a today.
User manual delta vfd b user manual 240 pages. You could simply search our database by selecting product category or document type or entering a product name directly. The vfd el series is manufactured with high quality components and materials and incorporate the latest microprocessor technology available. Please call or email your specs.
The vfd b series is. Taking advantage of our strong position in power electronics technology delta s vfd series of ac motor drives has evolved rapidly. Thank you for choosing delta s multifunction vfd el series. Vfd v series delta electronics inc.
You can purchase your delta ac drive panel s with bypass and line reactor here. Connecting power to the ac motor drives. The vfd b series is manufactured with high quality components and materials and incorporates the latest microprocessor technology available. This manual is to be used for the installation parameter setting troubleshooting and daily maintenance of the ac motor drive.
Vfd b dc drives pdf manual download. Vfd007b23a vfd007b43a vfd007b21a vfd015b23a vfd015b43a vfd015b53a vfd007b53a vfd015b21b vfd015b23b vfd022b23b vfd022b43b. Thank you for choosing delta s high performance vfd b series. Model number vfd xxxb 007 015 022 037 055 075 110 150 185 220 300 370 450 550 750.
Delta vfd programming external switch potentiometer delta vfd parameter setting programming for support donation kotak mahindra bank a c name danish s. Receiving check to make sure that the package includes an ac drive the user manual dust. We have 1 delta vfd b manual available for free pdf download.